手机版
/
中文
/
ENGLISH
统一客服热线:
400-168-1315
首 页
公司简介
产品展示
新闻中心
资质荣誉
生产设备
工程案例
资料下载
联系我们
产品选型
小型断路器
小型漏电断路器
电涌保护器
导轨式插座
塑壳断路器
塑壳漏电断路器
电源控制类产品
地面插座
双电源自动转换开关
交流接触器
隔离式刀开关系列
万能式断路器
电气火灾监控报警系统
家居多媒体箱
照明配电箱
高低压成套开关设备
电力母线槽
联系我们
/ CONTACT US
广东珠江电力设备有限公司
地址:佛山市南海区大沥镇盐步横江崧江工业区
全国服务热线:400-168-1315
电话:0757-85706081
传真:0757-85706091
邮箱:gdzjelec@163.com
产品展示
/ PRODUCT
首页
>
产品展示
DZ30LE-63/1P+N C16A
打印当前页
放入收藏夹
发邮件给我们
点击次数:17131
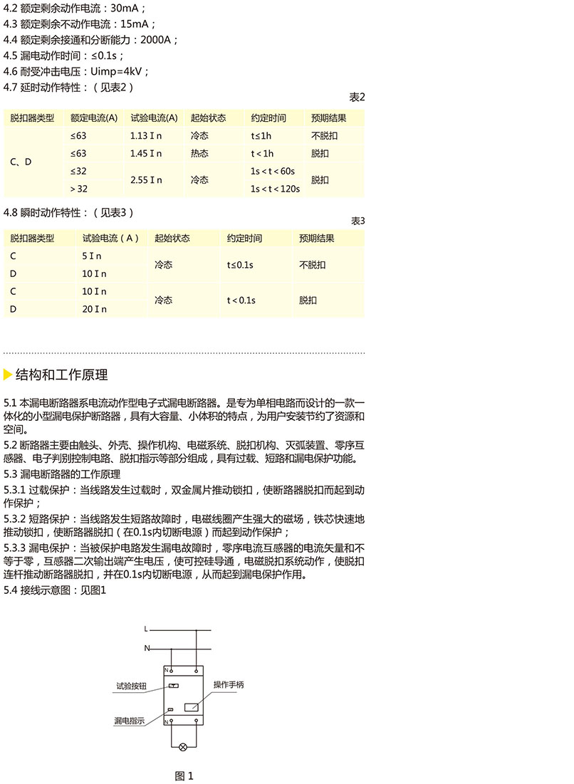
产品详情
友情链接
珠江漏电
珠江电气
珠江电器
珠江开关
广东珠江